東莞市愛多電子有限公司(EIDOLL)銷售的氣體放電管(GDT)是一種在金屬電極和金屬化陶瓷的空間里,充入一定比例的惰性氣體或其它混合氣體等放電介質,經過高溫封接而成單間隙或多間隙的開關型防護器件。當被保護的電路或設備受到浪涌沖擊時,放電管將從高阻抗狀態變為低阻抗狀態并釋放浪涌能量,降低電路殘壓,進而保護設備或人身免受瞬態過電壓的危害。氣體放電管(GDT)產品電壓70 ~ 4500 V,通流(@8/20 μs)0.5 ~ 200 kA全系列覆蓋,被廣泛應用在信號、電源及各類端口的過壓防護;安規認證包括:UL,滿足RoHS、REACH要求。
愛多電子銷售的氣體放電管其產品總體型號分類標圖如下,可供各客戶參考:


愛多電子的氣體放電管GDT其產品具體型號規格圖如下,詳細介紹請電聯。
  
愛多電子銷售的氣體放電管應用場所如下:
電源防護
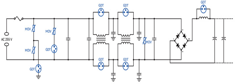
交流電源防護

所有的電信設備網絡、家用電子設備等都是通過電力線網絡顯示在過壓浪涌的環境中。在這些情況下,氣體放電管(GDT)和壓敏電阻(MOV)的組合提供的保護。相位和中性導線連接到兩個保護元件的接地電位(電路如圖所示)
氣體放電管選用原則:
AC110 V:選用 230 / 270 V,In = 3 / 5 / 10 / 20 / 及20 kA以上。
AC230 V:選用 470 / 600 V,In = 5 / 10 / 20 / 及20 kA以上。
AC380 V:選用 800 / 1000 / 1500 V,In = 5 / 10 / 20 / 及20 kA以上。
愛多電子提供的可選氣體放電管 (GDT) 產品系列:
SE系列
SF 系列
SPA 系列
SPB 系列
SPC 系列
SPJ 系列
SPI 系列
交流電源板載防護
氣體放電管選用原則:
AC110 V:選用 230 / 270 V,In = 3 / 5 / 10 / 20 / 及20 kA以上。
AC230 V:選用 470 / 600 V,In = 5 / 10 / 20 / 及20 kA以上。
AC380 V:選用 800 / 1000 / 1500 V,In = 5 / 10 / 20 / 及20 kA以上。
耐高壓 (Hi-pot) 測試(滿足UL要求)
AC1000 V,選用2000 V 3 s。
AC1250 V,選用2500 V 3 s。
AC1500 V,選用3000 V 3 s。
AC1850 V,選用 3600 V 3 s。
可選EIDOLL氣體放電管 (GDT)產品系列:
SE 系列
SF 系列
直流電源(DC 24 / 48 / 60 V)防護

氣體放電管選用原則:
90 / 230V,In =20 kA。
可選愛多電子氣體放電管 (GDT)產品系列:
SC 系列
SM 系列
通信系統保護方案
電話、傳真、Modem和數據線防護
在電話、Modem和數據線路中有敏感和精密的電子元件;設備輸入口帶有避雷器的典型保護電路,這些避雷器可以防止常見的共模模式干擾電壓,即兩上出現的浪涌電壓。在發生過電壓時,現浪涌電流將通過避雷器通釋放到大地保護雙絞線。
氣體放電管選用原則:
230 / 350 / 420 V。
可選愛多電子氣體放電管 (GDT)產品系列:
SF 系列
SD 系列
TZ 系列
信號線防護

信號線一般沒有接地連接。兩信號線間浪涌保護裝置將使設備在浪涌來前,阻止設備輸入端口的兩線形成的電壓差。 一般信號線因工作電壓低,線間的壓差較小
氣體放電管選用原則:
90 / 230 / 350 / 420 V。
可選愛多電子提供的氣體放電管 (GDT)產品系列:
SF 系列
SD 系列
機頂盒(STB)、電纜同軸、天饋防護

由于氣體放電管的低電容(小于1.0pF),在同軸線纜中對高頻信號的不會干擾系統。避雷器包含在同軸保護模塊中,它連接在中央導體和屏蔽模塊之間。根據應用情況,建議將保護模塊的屏蔽模塊或外殼接地
氣體放電管選用原則:
90 / 150 / 230 V,In =10 / 20 kA。
可選愛多電子提供的氣體放電管 (GDT)產品系列:
SE 系列
SC 系列
SM 系列
RS485 / RS232接口防護
RS485/232在數據通信網絡中的長距離和電磁噪音的環境中有效的使用。在工業環境中,為滿足于EMC規則的需要,做端口防護。在發生過電壓時,避雷器通過傳導浪涌電流到底來保護這兩條線路和后級器件
氣體放電管選用原則:
90 / 230 V,In =5 kA
可選EIDOLL提供的氣體放電管 (GDT)產品系列:
TZ 系列
以太網 / PoE浪涌防護
由雷電或線路電源故障引起的電信系統中的過電壓可能會損害敏感的電子電路。保護器件設計在設備內部端口,以避免這種浪涌或電源故障造成的損壞。設計主要考慮GDT的SMD小體積、大通流、高絕緣和低電容。典型的應用是路由器和交換機中的以太網接口、貼片面板、調制解調器、機頂盒、IPTV、xDSL+、WLAN-AP。
氣體放電管選用原則:
90 / 230 / 350 / 420 V,In =2 / 5 kA,SMD。
可選愛多電子提供的氣體放電管 (GDT)產品系列:
SW 系列
SX 系列
TZ 系列
產品電氣參數解釋如下:
Vs
直流擊穿電壓 D.C. Spark-over Voltage
氣體放電管兩端施加一個緩慢上升使其擊穿的直流電壓。
V
沖擊擊穿電壓 Impulse Spark-over Voltage
從施加給定波形的沖擊起直至開始有電流流通的這段時間內,氣體放電管兩端子上出現的最高電壓。
Va
弧光電壓 Arc Voltage
弧光電流流過氣體放電管時的電壓降。
Vgl
輝光電壓 Glow Voltage
輝光電流流經期間,跨越氣體放電管的電壓降的峰值,它有時也被稱為輝光模式電壓
8/20 μs
8/20沖擊電流 8/20Current Impulse
一個上升時間為8 μs,半峰值時間為20 μs的沖擊電流波形。
1.2/50 μs
1.2/50 沖擊電壓 1.2/50 Voltage Impulse
一個上升時間為1.2 μs,半峰值時間為50 μs的沖擊電壓波形。
I
交流放電電流 Alternating Discharge Current
流經氣體放電管的近似正弦交流電流的有效值。
In
標稱放電電流 Nominal Discharge Current
允許通過氣體放電管波形為8/20 μs沖擊電流值。
Imax
最大放電電流 Maximum Discharge Current
允許通過氣體放電管波形為8/20 μs沖擊電流最大值,該參數由制造廠商自行規定,一般Imax大于In。
|