產品用途
17AM-K、17AMD系列熱保護器是一種具有對溫度和電流雙重感應特性的產品,該產品結構先進、體積小、動作靈敏、觸點容量大、壽命長的特點,廣泛適用于分馬力電機、電熱器具;熒光燈鎮流器、變壓器、汽車馬達、集成電路及一般電氣設備的過熱過電流保護。
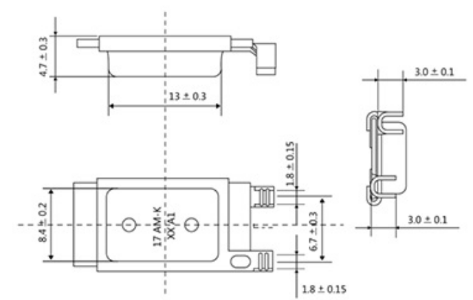
2 結構
2.1外觀:外形尺寸符合產品圖紙要求(見附圖);

2.2導線:AWG22#-16#鍍錫銅芯線,絕緣層采用聚乙烯材料,有UL認證的導線,或按客戶要求執行;
2.3外殼:表面鍍鎳鋅合金的板材;
2.4套管材料:聚酯絕緣套管符合電器用品的性能要求。
3 性能
3.1額定電流:
22A/125VAC、9A/250VAC
3.2動作溫度:60~180℃,公差±5℃(詳見附表)。
3.3抗拉力試驗:產品的接線端子應能承受大于或等于50N拉力,鉚線處不應松脫,導線無斷裂、滑出。
3.4絕緣電壓:
a.熱保護器在熱分斷后的接線之間應能承受AC660V,歷時1min而無擊穿閃絡現象;
b. 熱保護器端子引線與絕緣套管之間應能承受AC1500V,歷時1min而無擊穿閃絡現象;
3.5絕緣電阻:在正常條件下,導線與絕緣套管之間的絕緣電阻在100MΩ以上。(所用表計為DC500V絕緣抵抗計)
3.6接觸電阻:熱保護器的接觸電阻應不大于50mΩ(不含導線)。
3.7耐熱試驗:產品在150℃的環境中放置96小時。
3.8耐濕試驗:產品在40℃、相對濕度95%的環境中放置48小時。
3.9熱沖擊試驗:產品在150℃,-20℃環境中交變放置各30min,共5個周期。
3.10耐抗震試驗:產品能承受振幅1.5mm,頻率變化10~55Hz,掃描變化周期為3~5min,振動方向X、Y、Z,每個方向連續振動2小時。
3.11跌落試驗:產品自0.7m高度自由落下1次。
3.12抗壓性:將產品浸入密封油罐中,施加2MPa的壓力并保持24h后,3.7,3.8,3.9,3.10,3.11,3.12項試驗后應滿足下列條件:
a.動作溫度變化應在初期值的±7℃以內;
b.接觸電阻應在50 mΩ以下;
|
c.外形應無明細變形;
d.導線無開裂損傷;
e.絕緣電壓應符合3.4項要求;
f.絕緣電阻應符合3.5項要求。
4 壽命
產品在額定電壓電流功率因數委的條件下,外加熱源使其動作1000次,應滿足下面條件:
a.動作溫度變化應在初始值的±5℃或±5℃以內;(二者取最大值)
b.接觸電阻應在100mΩ以下,再繼續試驗5000次后保護器能動作,不導致電機功能性損傷。
5 使用注意事項
5.1溫度測試
將熱保護器置于恒溫精度為±1℃的試驗箱內進行試驗。測溫方法采用熱電偶或溫度計,熱電偶或溫度計應置于熱保護器試樣上或盡可能靠近試樣,在試驗升溫過程中,從低于額定動作溫度10℃開始,溫度變化速率不超過1℃/min。通過保護器的測試電流不應超過0.1A。
5.2使用環境
5.2.1保護器不得長期用于200℃以上的高溫環境,以防止造成保護器保護溫度及絕緣功能失效。
5.2.2不得在強酸強堿及其他強腐蝕環境下長期使用。
5.3安裝與連接
5.3.1保護器應安裝于被保護對象溫升的敏感點,與被保護部件有效地緊密接觸或直接面向被保護區域。
5.3.2保護器在安裝過程中,以防止造成外殼變形或破損而使保護器性能改變,應注意以下幾點:
a.不得使用尖銳的工具對保護器抵壓;
b.不得用重力捶壓保護器;
5.3.3連接采用電弧法焊接工藝時,焊接電流不得通過熱保護器,否則過強電流直接通過熱保護器觸點會造成破壞作用。
6. 儲藏條件
包裝箱及部品在運輸貯存過程中均不得遭受侵襲,擠壓與破損,空氣相對濕度不大于90%。
|
|
7.型號規格說明
附表一
17AM-K系列熱保護器動作溫度對照表
|
跳脫溫度
|
公差
|
跳脫溫度
|
公差
|
字母
|
端子方向
|
標示
|
|
060
|
60±5
|
125
|
125±5
|
A
|
同向
|
“A0”表示低阻型號,”A1”表示一般通用型號。
|
|
065
|
65±5
|
130
|
130±5
|
|
070
|
70±5
|
135
|
135±5
|
|
075
|
75±5
|
140
|
140±5
|
|
080
|
80±5
|
145
|
145±5
|
|
085
|
85±5
|
150
|
150±5
|
|
090
|
90±5
|
155
|
155±5
|
|
095
|
95±5
|
160
|
160±5
|
B
|
異向
|
|
100
|
100±5
|
165
|
165±5
|
|
105
|
105±5
|
170
|
170±5
|
|
110
|
110±5
|
175
|
175±5
|
|
115
|
115±5
|
180
|
180±5
|
|
120
|
120±5
|
|
|
|
8. 17AM-K客戶復位要求:
客戶在無要求情況下:按斷開溫度的三分之二的正負15℃
9. 17AM-K 系列溫控器動作溫度及復位溫度的測定:
將熱保護器置于測溫箱內,箱內熱空氣的氣流速度至少為200m/min。箱
內各測試點溫差應在±0.5℃以內,如檢測設備為非專用精密測試箱則應把
被測產品固定在一小范圍內,固定產品用的夾具不可阻擋熱氣的對流,產
品之間要相互絕緣,然后把被測熱保護器兩引腳分別連接在測試設備的
夾具上,通上10 毫安左右的檢測電流(最大不超過100 毫安),用一發光
二極管指示檢測電流的通斷.溫度監測表探頭固定于被測產品的中心位置
或貼在被測產品的表面.(注:溫度監測表必須確保其測量溫度的準確性,最好
分辨率在0.1℃以上,并在權威計量部門檢定合格的有效期內使用,且應定
期校驗其準確性。否則不能用作溫度監測)溫度監測探頭固定在被測產品
的中心位置,盡量保證溫度監測表探頭位置與被測產品所處位置的溫度偏
差應保持在±0.5℃以內。需要進行精密測試時最好進行單個測試,把溫度
監測表探頭與被測產品貼在一起進行測試。
在檢測動作溫度進行升溫時,當溫度升至被測產品-15℃時,測溫箱的升
溫速度應控制在0.5~1℃每分鐘.在該升溫過程中當接入被測熱保護器的
指示燈熄滅(常開產品為指示燈亮)時溫度監測表顯示的溫度值則為被測
熱保護器的動作溫度值。
在檢測熱保護器的復位溫度進行降溫時,其降溫速度也應控制在0.5~1℃
每分鐘,在該降溫過程中,指示燈由熄滅變亮燈(常開產品為指示燈熄滅)
時溫度監測表所顯示的溫度值則為該熱保護器的復位溫度值。
10. 17AM-K 系列溫控器使用環境與存貯條件:
保護器不得長期用于180℃以上的高溫環境,以防止造成塑料的變形使得保護器
失效。不得在強酸、強堿及其它強腐蝕環境下長期使用。
安裝與連接:保護器應安裝于被保護對象溫升的敏感點,其感溫面應與被保護部
件有效地緊密接觸或直接面向被保護區域。保護器感溫面有三角凹點作標記保
護器在安裝過程中,防止造成外殼變形或破損而使保護器性能改變, 應注
意以下幾點:a.不得使用尖銳的工具對保護器擠壓;b.不得用重力捶壓保護器;
連接采用電弧法焊接工藝時,焊接電流不得通過熱保護器,否則過強電流直接
通過熱保護器觸點會導致觸點損壞。
存貯條件:
包裝箱及產品在運輸、貯存過程中均不得遭受雨雪侵襲,擠壓與破損,空氣相對
|